
Array ( [cat_id] => 34 [cat_name] => 电能质量治理 [unique_id] => diannengzhiliang [parent_id] => 0 [url] => http://www./product/diannengzhiliang )
产品概述
ZHXK-BAM系列高压并联电容器主要应用于10KV电力系统中,主要由用薄钢板或不锈钢板焊接制成、出线套管、聚丙烯薄膜为介质与铝箔卷制而成的元件以及绝缘物质等组合而成,高压并联电容器作为高压无功功率补偿设备核心元件重要的组成部分,与电网并联,就地提供系统中感性负荷所需要的容性无功,以改善功率因数、降低线路损耗、提高输电线路的送电能力、释放变电器的剩余能量,提升电力系统效率,产品广泛应用在电力传输、配电、工业、新能源等领域。
性能特点
熔断保护;高压并联电容器内部每个元件串有内熔丝,能及时切除个别击穿的元件,保证电容器整体的正常运行。
放电保护;高压并联电容器内部装有放电器件,可使电容器断开电源后的剩余电压在10min内由2Un降至75V以下。
电压耐受;由于高压并联电容器可以将多个电容器进行并联使用,能够叠加多个电容器的电压承受能力,从而实现更高的电压承受范围。
大电容量;与普通电容器相比,高压并联电容器能够叠加多个电容器的容量,从而实现更高的电容量,适用于一些需要大电容量的应用场景。
安装便携;电容器体积小、重量轻,不但不占用安装面积,节省空间,同时便于搬运和周转,不管是组装和施工,都具备一定的便携性。
方案原理
高压并联电容器室外安装应用
高压并联电容器室内安装应用
设计依据GB311.2-311.6《高电压试验技术》
GB11022-89《高压开关设备通用技术条件》
GB5582《高压电力设备外绝缘污秽等级》
GB11024《标称电压1kV以上交流电力系统用高电压并联电容器》
DL/T604《高压并联电容器装置订货技术条件》
SDJ5-85《高压配电装置设计技术规程》
JB/T 7111《高压并联电容器装置》
技术参数
电压等级 |
1kV~35kV |
额定频率 |
50/60Hz(60Hz在订货时需要注明) |
容量范围 |
100kvar~1000kvar |
容量精度 |
±5% |
绝缘介质损耗 |
0.1W/kvar(工作500小时后) |
过电压能力 |
允许在1.0倍额定电压下长期运行,并可在1.1倍额定电压下每24h中运行不超过8h。 |
过电流能力 |
允许在由于过电压和高次谐波造成的有效值为额定电流的1.30倍的稳态过电流下运行,对于电并客具有最大正偏差的电容器,稳态过电流允许达到额定电流的1.43倍。 |
放电 |
电容器内置放电电阻,每个电容器单元的放电残压为75V或更低。 |
应用环境
户内或户外安装使用。
安装地点海拔高度小于1000m。
温度类别:-40℃~+45℃。
周围不含对金属有严重腐蚀的气体或蒸汽。
无强烈机械震动。
无爆炸和易燃品。
安装地点的谐波含量应符合国家相关标准的要求,有特殊要求时在合同中注明。
型号含义
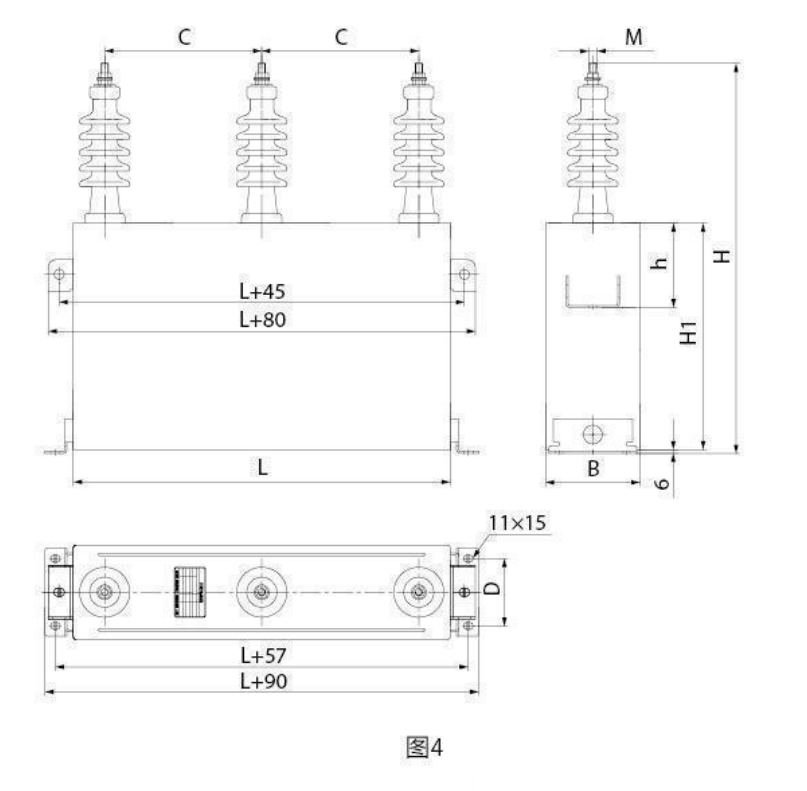
外观结构
选型参考
序号 |
型号规格 |
额定电压kV |
预定容量kvar |
标称电容μF |
外形尺寸 mm |
图号 |
接线柱 |
电旨kg |
||||||
L |
B |
h |
HT |
H |
C |
D |
||||||||
1 |
ZHXK-BAM1.05-50-1W |
1.05 |
50 |
144.36 |
310 |
143 |
215 |
315 |
425 |
200 |
- |
1 |
M16 |
28 |
2 |
ZHXK-BAM1.05-100-1W |
100 |
288.72 |
310 |
143 |
400 |
500 |
610 |
200 |
- |
1 |
M16 |
38 |
|
3 |
ZHXK-BAM6.6/√3-30-1W |
6.6/√3 |
30 |
6.58 |
320 |
110 |
0 |
220 |
475 |
220 |
- |
2 |
M12 |
18 |
4 |
ZHXK-BAM6.6/√3-50-1W |
50 |
10.96 |
320 |
110 |
34 |
320 |
575 |
220 |
85 |
2 |
M12 |
23 |
|
5 |
ZHXK-BAM6.6/√3-80-1W |
80 |
17.54 |
383 |
140 |
34 |
245 |
500 |
250 |
107 |
2 |
M12 |
25 |
|
6 |
ZHXK-BAM6.6/√3-100-1W |
100 |
21.92 |
383 |
140 |
34 |
295 |
550 |
250 |
107 |
2 |
M12 |
30 |
|
7 |
ZHXK-BAM6.6/√3-134-1W |
134 |
29.38 |
383 |
140 |
60 |
375 |
630 |
250 |
107 |
2 |
M12 |
36 |
|
8 |
ZHXK-BAM6.6/√3-150-1W |
150 |
32.88 |
383 |
140 |
60 |
405 |
660 |
250 |
107 |
2 |
M12 |
38 |
|
9 |
ZHXK-BAM6.6/√3-167-1W |
167 |
36.61 |
383 |
140 |
60 |
440 |
695 |
250 |
107 |
2 |
M12 |
41 |
|
10 |
ZHXK-BAM6.6/√3-200-1W |
200 |
43.84 |
383 |
80 |
60 |
410 |
630 |
250 |
137 |
3 |
M16 |
46 |
|
11 |
ZHXK-BAM6.6/√3-234-1W |
234 |
51.3 |
383 |
80 |
60 |
465 |
685 |
250 |
37 |
3 |
M16 |
51 |
|
12 |
ZHXK-BAM6.6/√3-250-1W |
250 |
54.81 |
383 |
80 |
60 |
495 |
715 |
250 |
137 |
3 |
M16 |
54 |
|
13 |
ZHXK-BAM6.6/√3-267-1W |
267 |
58.53 |
383 |
180 |
60 |
525 |
745 |
250 |
137 |
3 |
M16 |
56 |
|
14 |
ZHXK-BAM6.6/√3-300-1W |
300 |
65.77 |
383 |
180 |
60 |
580 |
800 |
250 |
137 |
3 |
M16 |
61 |
|
15 |
ZHXK-BAM6.6/√3-334-1W |
334 |
73.22 |
383 |
80 |
200 |
635 |
855 |
250 |
137 |
3 |
M16 |
66 |
|
16 |
ZHXK-BAM6.6/√3-400-1W |
400 |
87.69 |
383 |
180 |
200 |
745 |
965 |
250 |
37 |
3 |
M16 |
76 |
|
17 |
ZHXK-BAM6.6/√3-500-1W |
500 |
109.61 |
440 |
195 |
200 |
760 |
980 |
250 |
150 |
3 |
M16 |
94 |
|
18 |
ZHXK-BAM6.6/√3-100r-1W |
100 |
21.92 |
383 |
140 |
34 |
310 |
565 |
250 |
107 |
2 |
M12 |
31 |
|
19 |
ZHXK-BAM6.6/√3-134r-1W |
134 |
29.38 |
383 |
140 |
60 |
395 |
650 |
250 |
7 |
2 |
M12 |
37 |
|
20 |
ZHXK-BAM6.6/√3-150r-1W |
150 |
32.88 |
383 |
40 |
60 |
415 |
670 |
250 |
7 |
2 |
M12 |
39 |
|
21 |
ZHXK-BAM6.6/√3-167r-1W |
167 |
36.61 |
383 |
140 |
60 |
475 |
730 |
250 |
107 |
2 |
M12 |
43 |
|
22 |
ZHXK-BAM6.6/√3-200r-1W |
200 |
43.84 |
383 |
180 |
60 |
415 |
635 |
250 |
137 |
3 |
M16 |
46 |
|
23 |
ZHXK-BAM6.6/√3-234r-1W |
234 |
51.3 |
383 |
80 |
60 |
475 |
695 |
250 |
137 |
3 |
M16 |
52 |
|
24 |
ZHXK-BAM6.6/√3-250r-1W |
250 |
54.81 |
383 |
80 |
60 |
500 |
720 |
250 |
37 |
3 |
M16 |
54 |
|
25 |
ZHXK-BAM6.6/√3-267r-1W |
267 |
58.53 |
383 |
180 |
60 |
535 |
755 |
250 |
137 |
3 |
M16 |
57 |
|
26 |
ZHXK-BAM6.6/√3-300r-1W |
300 |
65.77 |
383 |
180 |
60 |
590 |
810 |
250 |
137 |
3 |
M16 |
62 |
|
27 |
ZHXK-BAM6.6/√3-334r-1W |
334 |
73.22 |
383 |
80 |
200 |
650 |
870 |
250 |
137 |
3 |
M16 |
67 |
|
28 |
ZHXK-BAM6.6/√3-400r-1W |
400 |
87.69 |
383 |
80 |
200 |
760 |
980 |
250 |
37 |
3 |
M16 |
77 |
|
29 |
ZHXK-BAM6.6/√3-500r-1W |
500 |
109.61 |
440 |
95 |
200 |
825 |
45 |
250 |
50 |
3 |
M16 |
100 |
|
30 |
ZHXK-BAM7.2/√3-25-1W |
7.2/√3 |
25 |
4.61 |
320 |
110 |
34 |
190 |
445 |
220 |
- |
2 |
M12 |
18 |
31 |
ZHXK-BAM7.2/√3-50-1W |
50 |
9.21 |
320 |
110 |
34 |
305 |
560 |
220 |
85 |
2 |
M12 |
23 |
|
32 |
ZHXK-BAM7.2/√3-67-1W |
67 |
12.34 |
134 |
140 |
35 |
220 |
475 |
250 |
107 |
3 |
M12 |
25 |
|
33 |
ZHXK-BAM7.2/√3-80-1W |
80 |
14.74 |
383 |
140 |
34 |
245 |
500 |
250 |
107 |
2 |
M12 |
26 |
|
34 |
ZHXK-BAM7.2/√3-100-1W |
100 |
18.42 |
383 |
140 |
134 |
290 |
545 |
250 |
107 |
2 |
M12 |
29 |
|
35 |
ZHXK-BAM7.2/√3-134-1W |
134 |
24.68 |
383 |
140 |
160 |
360 |
615 |
250 |
7 |
2 |
M12 |
34 |
|
36 |
ZHXK-BAM7.2/√3-150-1W |
150 |
27.63 |
383 |
40 |
160 |
395 |
650 |
250 |
7 |
2 |
M12 |
37 |
|
37 |
ZHXK-BAM7.2/√3-167-1W |
167 |
30.76 |
383 |
40 |
60 |
440 |
695 |
250 |
107 |
2 |
M12 |
39 |
|
38 |
ZHXK-BAM7.2/√3-200-1W |
200 |
36.84 |
383 |
180 |
160 |
400 |
620 |
250 |
137 |
3 |
M12 |
45 |
|
39 |
ZHXK-BAM7.2/√3-234-1W |
234 |
43.1 |
383 |
180 |
160 |
455 |
675 |
250 |
137 |
3 |
M16 |
50 |
|
40 |
ZHXK-BAM7.2/√3-250-1W |
250 |
46.05 |
383 |
80 |
160 |
480 |
700 |
250 |
37 |
3 |
M16 |
52 |
|
41 |
ZHXK-BAM7.2/√3-267-1W |
267 |
49.18 |
383 |
180 |
160 |
510 |
730 |
250 |
137 |
3 |
M16 |
54 |
|
42 |
ZHXK-BAM7.2/√3-300-1W |
300 |
55.26 |
383 |
180 |
160 |
560 |
780 |
250 |
37 |
3 |
M16 |
59 |
|
43 |
ZHXK-BAM7.2/√3-334-1W |
334 |
61.53 |
383 |
180 |
200 |
620 |
840 |
250 |
37 |
3 |
M16 |
64 |
|
44 |
ZHXK-BAM7.2/√3-400-1W |
400 |
73.68 |
383 |
80 |
200 |
730 |
950 |
250 |
37 |
3 |
M16 |
74 |
|
45 |
ZHXK-BAM7.2/√3-500-1W |
500 |
92.1 |
440 |
95 |
200 |
840 |
60 |
250 |
50 |
3 |
M16 |
89 |
|
46 |
ZHXK-BAM7.2/√3-100r-1W |
100 |
18.42 |
383 |
140 |
134 |
300 |
555 |
250 |
107 |
2 |
M12 |
30 |
|
47 |
ZHXK-BAM7.2/√3-134r-1W |
134 |
24.68 |
383 |
140 |
160 |
370 |
625 |
250 |
107 |
2 |
M12 |
35 |
|
48 |
ZHXK-BAM7.2/√3-150r-1W |
150 |
27.63 |
383 |
140 |
160 |
405 |
660 |
250 |
107 |
2 |
M12 |
38 |
|
49 |
ZHXK-BAM7.2/√3-167r-1W |
167 |
30.76 |
383 |
140 |
160 |
450 |
705 |
250 |
7 |
2 |
M12 |
41 |
|
50 |
ZHXK-BAM7.2/√3-200r-1W |
200 |
36.84 |
383 |
180 |
160 |
410 |
630 |
250 |
137 |
3 |
M16 |
46 |
|
51 |
ZHXK-BAM7.2/√3-234r-1W |
234 |
43.1 |
383 |
180 |
160 |
470 |
690 |
250 |
137 |
3 |
M16 |
51 |
|
52 |
ZHXK-BAM7.2/√3-250r-1W |
250 |
46.05 |
383 |
180 |
160 |
490 |
710 |
250 |
137 |
3 |
M16 |
53 |
|
53 |
ZHXK-BAM7.2/√3-267r-1W |
267 |
49.18 |
383 |
80 |
60 |
520 |
740 |
250 |
37 |
3 |
M16 |
55 |
|
54 |
ZHXK-BAM7.2/√3-300r-1W |
300 |
55.26 |
383 |
80 |
60 |
575 |
795 |
250 |
37 |
3 |
M16 |
60 |
|
55 |
ZHXK-BAM7.2/√3-334r-1W |
334 |
61.53 |
383 |
80 |
160 |
635 |
855 |
250 |
137 |
3 |
M16 |
65 |
|
56 |
ZHXK-BAM7.2/√3-400r-1W |
400 |
73.68 |
383 |
180 |
200 |
710 |
930 |
250 |
137 |
3 |
M16 |
72 |
|
57 |
ZHXK-BAM7.2/√3-500r-1W |
500 |
92.1 |
440 |
195 |
200 |
830 |
50 |
250 |
50 |
3 |
M16 |
89 |
|
58 |
ZHXK-BAM11/√3-34-1W |
11/√3 |
34 |
2.68 |
320 |
110 |
134 |
220 |
475 |
250 |
- |
2 |
M12 |
19 |
59 |
ZHXK-BAM11/√3-50-1W |
50 |
3.95 |
320 |
110 |
134 |
280 |
535 |
250 |
85 |
2 |
M12 |
22 |
|
60 |
ZHXK-BAM11/√3-80-1W |
80 |
6.31 |
383 |
140 |
134 |
245 |
500 |
250 |
107 |
2 |
M12 |
26 |
|
61 |
ZHXK-BAM11/√3-100-1W |
100 |
7.89 |
383 |
140 |
34 |
290 |
545 |
250 |
7 |
2 |
M12 |
30 |
|
62 |
ZHXK-BAM11/√3-134-1W |
134 |
10.58 |
383 |
40 |
60 |
370 |
625 |
250 |
7 |
2 |
M12 |
35 |
|
63 |
ZHXK-BAM11/√3-150-1W |
150 |
11.84 |
383 |
140 |
160 |
400 |
655 |
250 |
107 |
2 |
M12 |
37 |
|
64 |
ZHXK-BAM11/√3-167-1W |
167 |
13.18 |
383 |
140 |
160 |
440 |
695 |
250 |
107 |
2 |
M12 |
40 |
|
65 |
ZHXK-BAM11/√3-200-1W |
200 |
15.78 |
383 |
180 |
160 |
385 |
640 |
250 |
137 |
3 |
M12 |
43 |
|
66 |
ZHXK-BAM11/√3-234-1W |
234 |
18.47 |
383 |
80 |
160 |
455 |
755 |
250 |
137 |
3 |
M16 |
50 |
|
67 |
ZHXK-BAM11/√3-250-1W |
250 |
19.73 |
383 |
180 |
60 |
485 |
785 |
250 |
137 |
3 |
M16 |
52 |
|
68 |
ZHXK-BAM11/√3-267-1W |
267 |
21.07 |
383 |
180 |
60 |
495 |
795 |
250 |
137 |
3 |
M16 |
53 |
|
69 |
ZHXK-BAM11/√3-300-1W |
300 |
23.68 |
383 |
180 |
60 |
540 |
840 |
250 |
137 |
3 |
M16 |
57 |
|
70 |
ZHXK-BAM11/√3-334-1W |
334 |
26.36 |
383 |
180 |
200 |
625 |
925 |
250 |
37 |
3 |
M16 |
65 |
|
71 |
ZHXK-BAM11/√3-400-1W |
400 |
31.57 |
383 |
180 |
200 |
735 |
1035 |
250 |
137 |
3 |
M16 |
74 |
|
72 |
ZHXK-BAM11/√3-500-1W |
500 |
39.46 |
383 |
195 |
200 |
820 |
1120 |
250 |
150 |
3 |
M16 |
87 |
|
73 |
ZHXK-BAM11/√3-600-1W |
600 |
47.35 |
383 |
195 |
200 |
960 |
1260 |
250 |
150 |
3 |
M16 |
101 |
|
74 |
ZHXK-BAM11/√3-667-1W |
667 |
52.64 |
383 |
195 |
200 |
5 |
135 |
250 |
150 |
3 |
M16 |
110 |
|
75 |
ZHXK-BAM11/√3-134r-1W |
134 |
10.58 |
383 |
140 |
60 |
400 |
655 |
250 |
7 |
2 |
M12 |
38 |
|
76 |
ZHXK-BAM11/√3-150r-1W |
150 |
11.84 |
383 |
140 |
60 |
430 |
685 |
250 |
107 |
2 |
M12 |
39 |
|
77 |
ZHXK-BAM11/√3-167r-1W |
167 |
13.18 |
383 |
140 |
60 |
460 |
715 |
250 |
107 |
2 |
M12 |
41 |
|
78 |
ZHXK-BAM11/√3-200r-1W |
200 |
15.78 |
383 |
140 |
60 |
510 |
810 |
250 |
107 |
3 |
M16 |
45 |
|
79 |
ZHXK-BAM11/√3-234r-1W |
234 |
18.47 |
383 |
80 |
60 |
455 |
755 |
250 |
37 |
3 |
M16 |
50 |
|
80 |
ZHXK-BAM11/√3-250r-1W |
250 |
19.73 |
383 |
180 |
60 |
505 |
805 |
250 |
137 |
3 |
M16 |
54 |
|
81 |
ZHXK-BAM11/√3-257r-1W |
267 |
21.07 |
383 |
180 |
60 |
530 |
830 |
250 |
37 |
3 |
M16 |
56 |
|
82 |
ZHXK-BAM11/√3-300r-1W |
300 |
23.68 |
383 |
180 |
60 |
565 |
865 |
250 |
137 |
3 |
M16 |
59 |
|
83 |
ZHXK-BAM11/√3-334r-1W |
334 |
26.36 |
383 |
80 |
60 |
645 |
945 |
250 |
37 |
3 |
M16 |
66 |
|
84 |
ZHXK-BAM11/√3-400r-1W |
400 |
31.57 |
383 |
80 |
200 |
760 |
60 |
250 |
137 |
3 |
M16 |
76 |
|
85 |
ZHXK-BAM11/√3-500r-1W |
500 |
39.46 |
383 |
195 |
200 |
830 |
1130 |
250 |
150 |
3 |
M16 |
88 |
|
86 |
ZHXK-BAM11/√3-600r-1W |
600 |
47.35 |
383 |
195 |
200 |
995 |
1295 |
250 |
150 |
3 |
M16 |
104 |
|
87 |
ZHXK-BAM11/√3-667r-1W |
667 |
52.64 |
383 |
195 |
200 |
08( |
380 |
250 |
50 |
3 |
M16 |
112 |
|
88 |
ZHXK-BAM12/√3-34-1W |
12/√3 |
34 |
2.25 |
320 |
110 |
34 |
215 |
470 |
250 |
- |
2 |
M12 |
19 |
89 |
ZHXK-BAM12/√3-50-1W |
50 |
3.32 |
320 |
110 |
34 |
280 |
535 |
250 |
85 |
2 |
M12 |
22 |
|
90 |
ZHXK-BAM12/√3-80-1W |
80 |
5.31 |
383 |
140 |
34 |
240 |
495 |
250 |
107 |
2 |
M12 |
26 |
|
91 |
ZHXK-BAM12/√3-100-1W |
100 |
6.63 |
383 |
140 |
34 |
295 |
550 |
250 |
107 |
2 |
M12 |
30 |
|
92 |
ZHXK-BAM12/√3-134-1W |
134 |
8.89 |
383 |
140 |
60 |
355 |
610 |
250 |
7 |
2 |
M12 |
34 |
|
93 |
ZHXK-BAM12/√3-150-1W |
150 |
9.95 |
383 |
140 |
60 |
400 |
655 |
250 |
107 |
2 |
M12 |
37 |
|
94 |
ZHXK-BAM12/√3-167-1W |
167 |
11.07 |
383 |
140 |
60 |
420 |
675 |
250 |
107 |
2 |
M12 |
38 |
|
95 |
ZHXK-BAM12/√3-200-1W |
200 |
13.26 |
383 |
80 |
60 |
395 |
695 |
250 |
137 |
3 |
M16 |
44 |
|
96 |
ZHXK-BAM12/√3-234-1W |
234 |
15.52 |
383 |
80 |
60 |
450 |
750 |
250 |
37 |
3 |
M16 |
49 |
|
97 |
ZHXK-BAM12/√3-250-1W |
250 |
16.58 |
383 |
180 |
60 |
470 |
770 |
250 |
137 |
3 |
M16 |
51 |
|
98 |
ZHXK-BAM12/√3-267-1W |
267 |
17.71 |
383 |
180 |
60 |
495 |
795 |
250 |
137 |
3 |
M16 |
53 |
|
99 |
ZHXK-BAM12/√3-300-1W |
300 |
19.89 |
383 |
180 |
60 |
550 |
850 |
250 |
137 |
3 |
M16 |
58 |
|
100 |
ZHXK-BAM12/√3-330-1W |
334 |
22.15 |
383 |
180 |
200 |
625 |
925 |
250 |
137 |
3 |
M16 |
64 |
|
101 |
ZHXK-BAM12/√3-400-1W |
400 |
26.53 |
383 |
80 |
200 |
710 |
1010 |
250 |
137 |
3 |
M16 |
72 |
|
102 |
ZHXK-BAM12/√3-500-1W |
500 |
33.16 |
383 |
195 |
200 |
815 |
115 |
250 |
50 |
3 |
M16 |
86 |
|
103 |
ZHXK-BAM12/√3-600-1W |
600 |
39.79 |
383 |
195 |
200 |
960 |
1260 |
250 |
50 |
3 |
M16 |
99 |
|
104 |
ZHXK-BAM12/√3-667-1W |
667 |
44.23 |
383 |
95 |
200 |
65 |
365 |
250 |
50 |
3 |
M16 |
110 |
|
105 |
ZHXK-BAM12/√3-134-1W |
134 |
8.89 |
383 |
140 |
160 |
390 |
690 |
250 |
107 |
2 |
M12 |
36 |
|
106 |
ZHXK-BAM12/√3-150-1W |
150 |
9.95 |
383 |
140 |
160 |
430 |
730 |
250 |
107 |
2 |
M12 |
39 |
|
107 |
ZHXK-BAM12/√3-167-1W |
167 |
11.07 |
383 |
140 |
160 |
460 |
760 |
250 |
7 |
2 |
M12 |
41 |
|
108 |
ZHXK-BAM12/√3-200-1W |
200 |
13.26 |
383 |
180 |
160 |
510 |
810 |
250 |
37 |
3 |
M16 |
45 |
|
109 |
ZHXK-BAM12/√3-234-1W |
234 |
15.52 |
383 |
180 |
160 |
480 |
780 |
250 |
137 |
3 |
M16 |
51 |
|
110 |
ZHXK-BAM12/√3-250-1W |
250 |
16.58 |
383 |
180 |
60 |
505 |
805 |
250 |
137 |
3 |
M16 |
54 |
|
111 |
ZHXK-BAM12/√3-267-1W |
267 |
17.71 |
383 |
80 |
160 |
530 |
830 |
250 |
37 |
3 |
M16 |
56 |
|
112 |
ZHXK-BAM12/√3-300-1W |
300 |
19.89 |
383 |
80 |
60 |
595 |
895 |
250 |
37 |
3 |
M16 |
61 |
|
113 |
ZHXK-BAM12/√3-334-1W |
334 |
22.15 |
383 |
180 |
160 |
645 |
945 |
250 |
137 |
3 |
M16 |
66 |
|
114 |
ZHXK-BAM12/√3-400-1W |
400 |
26.53 |
383 |
180 |
200 |
730 |
1030 |
250 |
137 |
3 |
M16 |
73 |
|
115 |
ZHXK-BAM12/√3-500-1W |
500 |
33.16 |
383 |
195 |
200 |
830 |
1130 |
250 |
50 |
3 |
M16 |
88 |
|
116 |
ZHXK-BAM12/√3-600-1W |
600 |
39.79 |
383 |
195 |
200 |
980 |
280 |
250 |
50 |
3 |
M16 |
102 |
|
117 |
ZHXK-BAM12/√3-667-1W |
667 |
44.23 |
383 |
195 |
200 |
9 |
395 |
250 |
50 |
3 |
M16 |
113 |
|
118 |
ZHXK-BAM11-100-1W |
11 |
100 |
2.63 |
383 |
140 |
134 |
295 |
595 |
250 |
- |
1 |
M16 |
29 |
119 |
ZHXK-BAM11-134-1W |
134 |
3.53 |
383 |
140 |
160 |
400 |
700 |
250 |
- |
1 |
M16 |
38 |
|
120 |
ZHXK-BAM11-150-1W |
150 |
3.95 |
383 |
140 |
60 |
435 |
735 |
250 |
- |
1 |
M16 |
40 |
|
121 |
ZHXK-BAM11-167-1W |
167 |
4.39 |
383 |
40 |
60 |
460 |
760 |
250 |
- |
1 |
M16 |
42 |
|
122 |
ZHXK-BAM11-200-1W |
200 |
5.26 |
383 |
140 |
60 |
510 |
810 |
250 |
- |
1 |
M16 |
46 |
|
123 |
ZHXK-BAM11-234-1W |
234 |
6.16 |
383 |
180 |
160 |
475 |
775 |
250 |
- |
2 |
M16 |
53 |
|
124 |
ZHXK-BAM11-250-1W |
250 |
6.58 |
383 |
180 |
160 |
505 |
805 |
250 |
- |
2 |
M16 |
56 |
|
125 |
ZHXK-BAM11-267-1W |
267 |
7.02 |
383 |
180 |
160 |
530 |
830 |
250 |
- |
2 |
M16 |
58 |
|
126 |
ZHXK-BAM11-300-1W |
300 |
7.89 |
383 |
180 |
160 |
590 |
890 |
250 |
- |
2 |
M16 |
64 |
|
127 |
ZHXK-BAM11-334-1W |
334 |
8.79 |
383 |
180 |
160 |
645 |
945 |
250 |
- |
2 |
M16 |
69 |
|
128 |
ZHXK-BAM11-400-1W |
400 |
10.52 |
383 |
180 |
200 |
760 |
60 |
250 |
- |
2 |
M16 |
80 |
|
129 |
ZHXK-BAM11-417-1W |
417 |
10.97 |
383 |
80 |
200 |
785 |
85 |
250 |
- |
2 |
M16 |
82 |
|
130 |
ZHXK-BAM11-500-1W |
500 |
13.15 |
383 |
95 |
200 |
865 |
165 |
250 |
- |
3 |
M16 |
96 |
|
131 |
ZHXK-BAM11-600-1W |
600 |
15.78 |
383 |
195 |
200 |
1030 |
1330 |
250 |
- |
3 |
M16 |
112 |
|
132 |
ZHXK-BAM11-667-1W |
667 |
17.55 |
383 |
195 |
200 |
1130 |
1430 |
250 |
- |
3 |
M16 |
122 |
|
133 |
ZHXK-BAM12-100-1W |
12 |
100 |
2.21 |
383 |
140 |
34 |
295 |
595 |
250 |
- |
1 |
M16 |
29 |
134 |
ZHXK-BAM12-134-1W |
134 |
2.96 |
383 |
140 |
60 |
400 |
700 |
250 |
- |
1 |
M16 |
38 |
|
135 |
ZHXK-BAM12-150-1W |
150 |
3.32 |
383 |
140 |
60 |
435 |
735 |
250 |
- |
1 |
M16 |
40 |
|
136 |
ZHXK-BAM12-167-1W |
167 |
3.69 |
383 |
140 |
60 |
460 |
760 |
250 |
- |
1 |
M16 |
42 |
|
137 |
ZHXK-BAM12-200-1W |
200 |
4.42 |
383 |
140 |
60 |
510 |
810 |
250 |
- |
1 |
M16 |
46 |
|
138 |
ZHXK-BAM12-234-1W |
234 |
5.17 |
383 |
180 |
60 |
475 |
775 |
250 |
- |
2 |
M16 |
53 |
|
139 |
ZHXK-BAM12-250-1W |
250 |
5.53 |
383 |
180 |
60 |
505 |
805 |
250 |
- |
2 |
M16 |
56 |
|
140 |
ZHXK-BAM12-267-1W |
267 |
5.9 |
383 |
80 |
60 |
530 |
830 |
250 |
- |
2 |
M16 |
58 |
|
141 |
ZHXK-BAM12-300-1W |
300 |
6.63 |
383 |
180 |
60 |
590 |
890 |
250 |
- |
2 |
M16 |
64 |
|
142 |
ZHXK-BAM12-334-1W |
334 |
7.38 |
383 |
180 |
60 |
645 |
945 |
250 |
- |
2 |
M16 |
69 |
|
143 |
ZHXK-BAM12-400-1W |
400 |
8.84 |
383 |
180 |
200 |
760 |
60 |
250 |
- |
2 |
M16 |
80 |
|
144 |
ZHXK-BAM12-417-1W |
417 |
9.22 |
383 |
180 |
200 |
785 |
85 |
250 |
- |
2 |
M16 |
82 |
|
145 |
ZHXK-BAM12-500-1W |
500 |
11.05 |
383 |
95 |
200 |
865 |
165 |
250 |
- |
3 |
M16 |
96 |
|
146 |
ZHXK-BAM12-600-1W |
600 |
13.26 |
383 |
195 |
200 |
1030 |
1330 |
250 |
- |
3 |
M16 |
112 |
|
147 |
ZHXK-BAM12-667-1W |
667 |
14.74 |
383 |
195 |
200 |
1130 |
1430 |
250 |
- |
3 |
M16 |
122 |
|
148 |
ZHXK-BAM6.6-50-1W |
6.6 |
50 |
3.65 |
600 |
115 |
110 |
220 |
481 |
250 |
85 |
4 |
M12 |
28 |
149 |
ZHXK-BAM6.6-100-1W |
100 |
7.31 |
600 |
170 |
10 |
220 |
481 |
250 |
17 |
4 |
M12 |
38 |
|
150 |
ZHXK-BAM6.6-150-1W |
150 |
10.96 |
600 |
120 |
34 |
360 |
621 |
250 |
85 |
4 |
M12 |
44 |
|
151 |
ZHXK-BAM6.6-200-1W |
200 |
14.61 |
600 |
150 |
34 |
360 |
621 |
250 |
107 |
4 |
M12 |
54 |
|
152 |
ZHXK-BAM6.6-250-1W |
250 |
18.27 |
60( |
140 |
60 |
430 |
691 |
250 |
107 |
4 |
M12 |
58 |
|
153 |
ZHXK-BAM6.6-300-3W |
300 |
21.92 |
600 |
170 |
60 |
430 |
691 |
250 |
17 |
4 |
M12 |
69 |
|
154 |
ZHXK-BAM6.6-350-3W |
350 |
25.58 |
625 |
80 |
60 |
430 |
691 |
250 |
37 |
4 |
M12 |
75 |
|
155 |
ZHXK-BAM6.6-400-3W |
400 |
29.23 |
645 |
195 |
60 |
430 |
691 |
250 |
150 |
4 |
M12 |
83 |
|
156 |
ZHXK-BAM6.6-450-3W |
450 |
32.88 |
655 |
195 |
60 |
480 |
741 |
250 |
150 |
4 |
M12 |
93 |
|
157 |
ZHXK-BAM6.6-500-3W |
500 |
36.54 |
725 |
195 |
160 |
490 |
751 |
250 |
150 |
4 |
M12 |
104 |
|
158 |
ZHXK-BAM7.2-50-3W |
7.2 |
50 |
3.07 |
600 |
115 |
10 |
220 |
481 |
250 |
85 |
4 |
M12 |
28 |
159 |
ZHXK-BAM7.2-100-3W |
100 |
6.14 |
600 |
170 |
110 |
220 |
481 |
250 |
117 |
4 |
M12 |
38 |
|
160 |
ZHXK-BAM7.2-150-3W |
150 |
9.21 |
600 |
120 |
34 |
360 |
621 |
250 |
85 |
4 |
M12 |
44 |
|
161 |
ZHXK-BAM7.2-200-3W |
200 |
12.28 |
600 |
150 |
134 |
360 |
621 |
250 |
107 |
4 |
M12 |
54 |
|
162 |
ZHXK-BAM7.2-250-3W |
250 |
15.35 |
600 |
140 |
160 |
430 |
691 |
250 |
107 |
4 |
M12 |
58 |
|
163 |
ZHXK-BAM7.2-300-3W |
300 |
18.42 |
600 |
170 |
160 |
430 |
691 |
250 |
17 |
4 |
M12 |
69 |
|
164 |
ZHXK-BAM7.2-350-3W |
350 |
21.49 |
625 |
80 |
160 |
430 |
691 |
250 |
37 |
4 |
M12 |
75 |
|
165 |
ZHXK-BAM7.2-400-3W |
400 |
24.56 |
645 |
95 |
160 |
430 |
691 |
250 |
50 |
4 |
M12 |
83 |
|
166 |
ZHXK-BAM7.2-450-3W |
450 |
27.63 |
655 |
195 |
160 |
480 |
741 |
250 |
150 |
4 |
M12 |
93 |
|
167 |
ZHXK-BAM7.2-500-3W |
500 |
30.7 |
725 |
195 |
160 |
490 |
751 |
250 |
50 |
4 |
M12 |
104 |
|
168 |
ZHXK-BAM11-50-3W |
11 |
50 |
1.32 |
600 |
115 |
110 |
220 |
481 |
250 |
85 |
4 |
M12 |
28 |
169 |
ZHXK-BAM11-100-3W |
100 |
2.63 |
600 |
170 |
110 |
220 |
481 |
250 |
17 |
4 |
M12 |
38 |
|
170 |
ZHXK-BAM11-150-3W |
150 |
3.95 |
600 |
120 |
134 |
360 |
621 |
250 |
85 |
4 |
M12 |
44 |
|
171 |
ZHXK-BAM11-200-3W |
200 |
5.26 |
600 |
150 |
134 |
360 |
621 |
250 |
107 |
4 |
M12 |
54 |
|
172 |
ZHXK-BAM11-250-3W |
250 |
6.58 |
600 |
140 |
160 |
430 |
691 |
250 |
107 |
4 |
M12 |
58 |
|
173 |
ZHXK-BAM11-300-3W |
300 |
7.89 |
600 |
70 |
60 |
430 |
691 |
250 |
17 |
4 |
M12 |
69 |
|
174 |
ZHXK-BAM11-350-3W |
350 |
9.21 |
625 |
180 |
160 |
430 |
691 |
250 |
137 |
4 |
M12 |
75 |
|
175 |
ZHXK-BAM11-400-3W |
400 |
10.52 |
645 |
195 |
160 |
430 |
691 |
250 |
150 |
4 |
M12 |
83 |
|
176 |
ZHXK-BAM11-450-3W |
450 |
11.84 |
655 |
195 |
160 |
480 |
741 |
250 |
50 |
4 |
M12 |
93 |
|
177 |
ZHXK-BAM11-500-3W |
500 |
13.15 |
725 |
195 |
160 |
490 |
751 |
250 |
50 |
4 |
M12 |
104 |
|
178 |
ZHXK-BAM12-50-3W |
12 |
50 |
1.11 |
600 |
15 |
110 |
220 |
481 |
250 |
85 |
4 |
M12 |
28 |
179 |
ZHXK-BAM12-100-3W |
100 |
2.21 |
600 |
170 |
110 |
220 |
481 |
250 |
17 |
4 |
M12 |
38 |
|
180 |
ZHXK-BAM12-150-3W |
150 |
3.32 |
600 |
120 |
134 |
360 |
621 |
250 |
85 |
4 |
M12 |
44 |
|
181 |
ZHXK-BAM12-200-3W |
200 |
4.42 |
600 |
150 |
134 |
360 |
621 |
250 |
7 |
4 |
M12 |
54 |
|
182 |
ZHXK-BAM12-250-3W |
250 |
5.53 |
600 |
40 |
60 |
430 |
691 |
250 |
7 |
4 |
M12 |
58 |
|
183 |
ZHXK-BAM12-300-3W |
300 |
6.63 |
600 |
170 |
160 |
430 |
691 |
250 |
117 |
4 |
M12 |
69 |
|
184 |
ZHXK-BAM12-350-3W |
350 |
7.74 |
625 |
180 |
160 |
430 |
691 |
250 |
137 |
4 |
M12 |
75 |
|
185 |
ZHXK-BAM12-400-3W |
400 |
8.84 |
645 |
195 |
160 |
430 |
691 |
250 |
150 |
4 |
M12 |
83 |
|
186 |
ZHXK-BAM12-450-3W |
450 |
9.95 |
655 |
195 |
160 |
480 |
741 |
250 |
150 |
4 |
M12 |
93 |
|
187 |
ZHXK-BAM12-500-3W |
500 |
11.05 |
725 |
195 |
160 |
490 |
751 |
250 |
150 |
4 |
M12 |
104 |
订货须知
电力系统图;
系统电压等级;
补偿容量;
极相(标准单相*3)
内熔丝保护;
外壳材质(冷轧钢/不锈钢)
负载性质;
特殊要求注明;