
Array ( [cat_id] => 34 [cat_name] => 电能质量治理 [unique_id] => diannengzhiliang [parent_id] => 0 [url] => http://www./product/diannengzhiliang )
产品概述
ZHXK-AHP1000谐波保护器应用于0.4KV电力系统中,采用了超微品合金材料与创新科技的特别电路,针对用户侧高次谐波(2KHZ-10MHz)的污染,为用电设备提供谐波保护,改善越来越悬务的电能质量的设备。通过该谐波保护器能够净化电源、保护用电设备和功率因数补偿设备、防止保护装置的误跳闸,从而保护设备安全、高效地运行。广泛应用于:PLC、DCS、计算机电子设备;功率因数补偿设备;数字通讯设备等领域。
性能特点
运行稳定:采用超微品体合金材料与创新科技的特别电路,对高次谐波、高频噪声、脉冲尖峰、电涌等干扰有抑制和吸收作用。
随时跟踪电压、电流波形,矫正因谐波影响而产生畸变的电压、电流波形1减少了用电设备的故障率和机器误操作,全面克服了由于谐波污染引起的高频干扰。
实时监控:具备测量和显示三相电压总谐波含量以及有效值的功能,当谐波含量超过一定值时,会发出闪烁和蜂鸣报警;
结构合理:无需独立电源,结构小巧,导轨安装接线简单,安装调试方便;
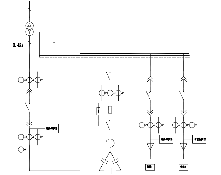
方案原理
设计依据
GB/T 14549-2012《电能质量公用电网谐波》
GB/T19862-2005《电能质量监测设备通用要求》
GB/T18481-2001《电能质量暂时过电压和瞬态过电压》
技术参数
额定电压 |
额定电压:110V 690V士20% |
最大脉冲电流值 |
14000A |
钳位电流值 |
对于2500V的畸变电压,可限制1000V以下 |
抗浪涌电流 |
对于2500V的畸变电压,畸变电流不超过1200A |
电路链接方式 |
三相星型,三相三角形 |
绝缘电阻 |
>100MΩ |
耐压/接触点容量 |
导电部分与外壳间承受2000VAC,时间0.1秒,无击穿和闪络现象/120A |
保护频率 |
350HZ~20MHZ |
泄露电流 |
1.428nA |
震荡波抗扰度 |
IEC60225-22-1 |
静电放电抗扰度 |
IEC60225-22-2 |
射频电磁辐射抗扰度 |
IEC60225-22-3 |
电快速畸变脉冲群抗扰度 |
IEC60225-22-4 |
功耗 |
小于0.5W |
发热 |
小于25℃(外部环境20℃) |
端子/外壳 |
耐高温1000℃ |
标准监控 |
每相均有状态指示灯 |
防护等级 |
IP40 |
使用寿命 |
>10年 |
维护方式 |
免维护 |
应用环境
本产品工作场所海拔不超过2000米,环境温度-35℃ ~ +75℃,相对湿度:日平均不大于95%,月平均不大于90%。
本产品运行场所应具备无有害气体、可燃气体、蒸汽等污染,无导电性或者爆炸性尘埃,运行场所应无经常性的剧烈机械振动。
本产品户内使用运行,如果在特殊情况下户外使用,需加装保护壳,并参考相关标准保证保护壳的防护等级。
本产品避免长期在潮湿环境中放置,如受潮或者凝露,为避免短路,切忌第一时间通电试验,需在专业工程师指导下采取正确方法措施后进行故障排除。
型号含义
外观结构
选型参考
型号规格 |
电压(V) |
外形尺寸 |
安装方式 |
ZHXK-AHP1000-1 |
220 |
110*120*70 |
导轨安装 |
ZHXK-AHP1000-3 |
400 |
145*120*70 |
导轨安装 |
订货须知
电力系统图;
系统电压等级;
匹配治理设备参数;
极相(单相/三相);
系统运行参数(效果最佳)
负载性质;
特殊要求注明;