
Array ( [cat_id] => 34 [cat_name] => 电能质量治理 [unique_id] => diannengzhiliang [parent_id] => 0 [url] => http://www./product/diannengzhiliang )
产品概述
ZHXK-FK系列低压智能复合开关主要应用于0.4KV电力系统中,主要由触发电路、控制电路、继电器、保护单元等组成,作为低压无功功率补偿装置重要的核心组成元件,根据补偿方案的不同,主要用于对低压无功功率补偿设备投入或切除低压并联电容器之用,实现电压过零导通和电流过零切断,达到投切无涌流,无谐波注入的效果,其具有无冲击、低功耗、高寿命等显著优点,产品广泛应用在电力传输、配电、工业、新能源等领域。
性能特点
过零投切:电压过零点导通投入,电流过零点断开切出,投切无涌流产生,不会造成电网系统电压闪变,可控硅与磁保持继电器并联运行可靠。
缺相保护:电压缺相,系统电压缺相供电时,开关拒绝闭合;若出现缺相则自动退投;电源缺相,工作电源缺相供电时,开关拒绝闭合;若出现缺相则自动退投;
故障保护:智能控制技术,在涌流和安全可靠性方面具备极高的性能优势,自诊断故障保护:元件出现故障,则拒绝闭合或自动退投断开;
欠压保护:光电隔离技术,抗干扰能力强,具有增强的综合保护功能,电压≤额定电压20%时开关拒绝闭合;
空载保护:未接负载时开关拒绝闭合;接通后遇突然停电时,开关自动跳闸断开;功耗小,只在投切动作瞬间耗电,平时不耗电;
稳定可靠:运行过零触发不会产生谐波,可控硅与磁保持继电器并接,实现电压过零导通和电流过零切断,无涌流、无电弧;
结构合理;金属材质模块化设计,强度好体积小,不占用施工空间,人性化接线端子便于安装拆卸,不但替换性强操作简单快捷便于维护。
方案原理
|
|
|
|
|
|
|
|
|
|
|
|
|
|
|
|
|
|
|
|
|
|
|
|
|
|
|
|
|
|
设计依据
GB/T 29312-2012《低压无功功率补偿投切装置》
技术参数
额定工作电压 |
380VAC |
允许偏差 |
三相电压同步变化不大于±20% |
额定频率 |
50Hz |
额定工作电流 |
45A、60A |
功耗 |
≤2W |
相数 |
三相(△型接法);单相(Y型接法) |
开关耐压 |
≥2500V |
绝缘强度 |
2.5kV/1min |
响应时间 |
<20ms |
每次接通与关断间隔 |
≥5S |
连续两次接通间隔 |
≥35S |
投入涌流 |
小于额定电流1.5倍 |
控制信号 |
直流电压5~12V/10mA由控制器提供控制电压 |
输入阻抗 |
≥5.1KΩ |
使用寿命 |
50万次 |
应用环境
本产品工作场所海拔不超过2500米,环境温度20℃ ~ +60℃,相对湿度:日平均不大于95%,月平均不大于90%。
本产品运行场所应具备无有害气体、可燃气体、蒸汽等污染,无导电性或者爆炸性尘埃,运行场所应无经常性的剧烈机械振动。
本产品户内使用运行,如果在特殊情况下户外使用,需加装保护壳,并参考相关标准保证保护壳的防护等级。
本产品避免长期在潮湿环境中放置,如受潮或者凝露,为避免短路,切忌第一时间通电试验,需在专业工程师指导下采取正确方法措施后进行故障排除。
型号含义
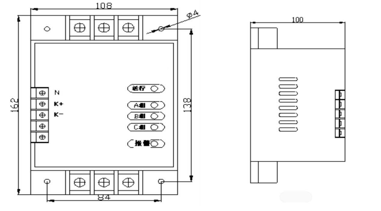
外观结构
选型参考
型号规格 |
工作电压(V) |
匹配电容容量 |
外形尺寸 |
安装尺寸 |
补偿方式 |
ZHXK-FK-380-45-3 |
380 |
≤30kvar |
162*108*100 |
138*84 |
共补 |
ZHXK-FK-380-60-3 |
380 |
40kvar |
162*108*100 |
138*84 |
共补 |
ZHXK-FK-380-45-3N |
380 |
≤30kvar |
162*108*100 |
138*84 |
分补 |
ZHXK-FK-380-60-3N |
380 |
40kvar |
162*108*100 |
138*84 |
分补 |
订货须知
电力系统图;
系统电压等级;
投切补偿容量;
极相(三相/单相)
补偿方式(共补/分补/混合补偿);
外观型状(塑料外壳/金属外壳);
负载性质;
特殊要求注明;